Παρουσίαση μηχανής Odea Giro .
Την μηχανή κατά την διάρκεια του service θα την δούμε εσωτερικά. Επίσης θα δούμε μέσω μετρήσεων κάποιες δυνατότητες των εξαρτημάτων της μηχανής.
Στην μηχανή μπορούμε να ρυθμίσουμε τον κόφτη, καθώς και την ποσότητα του καφέ σε τρεις προκαθορισμένες δόσεις.
Η μηχανή σε επίπεδο service μας δίνει την δυνατότητα να αναβαθμίσουμε το λογισμικό της. Ακόμη μπορούμε να δούμε κάποιες
μετρήσεις.
Μας δείχνει πόσα λίτρα νερού έχουν περάσει από την μηχανή, πόσοι κύκλοι αφαλάτωσης έχουν γίνει, πόσους εσπρέσσο έχει φτιάξει , και διάφορα άλλα .
Έχουμε περιπτώσεις μηχανών που σε μικρό χρονικό διάστημα μας έχουν δείξει απίστευτα νούμερα. (χιλιάδες καφέδες , αρκετά κυβικά νερό).
Η μηχανή δείχνει ότι λειτουργούσε με διαρροή νερού σε διάφορα σημεία.
Πάνω από το boiler (thermoblock) και δεξιότερα φαίνεται ο επιλογέας νερού , με σημάδια διαρροής.
Η πλακέτα στην φωτογραφία είναι που διαχειρίζεται τα διάφορα εξαρτήματα της μηχανής.
Το κουτάκι στο κάτω μέρος της φωτογραφίας έχει την πλακέτα με το πρόγραμμα.
Το παράθυρο στο κέντρο του κουτιού είναι το σημείο που γίνετε η επικοινωνία με τον υπολογιστή.
Άλλη μία φωτογραφία του επιλογέα. Το πακετάκι βλέπει μαγνητικά – επαγωγικά την θέση του επιλογέα και ενημερώνει τον επεξεργαστή για την θέση του.
Στην βάση του επιλογέα οι βίδες έχουν εξαφανιστεί από την διάβρωση.
Ο μηχανισμός που κινεί το group. Το νερό έχει φτάσει στο μοτέρ.
Το πίσω μέρος της μηχανής.
Πάνω η γνωστή ulka με δίοδο, στην μέση το άσπρο βαρελάκι είναι φίλτρο για να μην μεταφέρονται ηλεκτρικά παράσιτα , και κάτω ο ογκομετρητής νερού.

Η πλακέτα που φιλοξενεί το πρόγραμμα.
Ο κόφτης της μηχανής.
Ο μηχανισμός του κόφτη με τον αισθητήρα στροφών. Το έχουμε καθαρίσει , θα μπει γράσο ειδικό και θα μονταριστεί.

Ο κορμός του επιλογέα νερού. Αριστερά της μηχανής, δεξιά ο καινούριος
Aπό το τεχνικό manual της μηχανής ανεβάζω το σημείο που εξηγεί τον τρόπο χειρισμού της αυτόματης δόσης . Φυσικά μπορεί η μηχανή σας να είναι το ίδιο μοντέλο όμως να μην έχει το συγκεκριμένο λογισμικό. Υπάρχει για παλαιότερο λογισμικό δυνατότητα κάποιον ρυθμίσεων.
την συνέχεια και με την ευκαιρία του προγραμματισμού-τεστ που κάνουμε , πήραμε και διάφορες μετρήσεις για να τις δούμε , που αφορούν θερμοκρασίες σε σχέση με τον χρόνο κλπ.
Έχουμε τοποθετήσει για ταυτόχρονες μετρήσεις , θερμόμετρο επάνω στο boiler , θερμόμετρο στην έξοδο νερού -ατμού, βολτόμετρο επάνω στην αντίσταση (για να βλέπουμε πότε λειτουργεί), και βολτόμετρο επάνω στην αντλία. ( Η αντλία κατά την δημιουργία ατμού ακούγετε ότι λειτουργεί διακεκομμένα.
Πριν από τις μετρήσεις θα πω λίγα λόγια για το boiler τις μηχανής.
Το boiler είναι ένα κομμάτι μασίφ αλουμίνιο που εσωτερικά έχει μερικές σπείρες από ανοξείδωτη σωλήνα, και την ηλεκτρική αντίσταση πάλι σε λίγες σπείρες.
Η θερμοκρασία φτάνει στους 80 βαθμούς σε λιγότερο από ένα λεπτό (ανάλογα την θερμοκρασία εισόδου του νερού). Αυτό οφείλετε στην ιδιότητα του αλουμινίου.(θερμοχωρητικότητα).
Από την μηχανή μπορούμε να πάρουμε από τα ακροφύσιο απεριόριστο (θεωρητικά) ζεστό νερό σε ελεύθερη ροή. Αυτό μας δείχνει ότι η ισχύς του boiler σε λίτρα νερού ανά ώρα και σε θερμοκρασία εξόδου 80πχ βαθμών είναι μεγαλύτερη από τα λίτρα ανά ώρα που μπορεί να δώσει η συγκεκριμένη αντλία σε ελεύθερη ροή.
Φυσικά έχουμε και το λογισμικό της μηχανής που μπορεί εύκολα να μειώσει την ροή του νερού όταν αυτό πλησιάζει έξω από τα προκαθορισμένα όρια.
Στον ατμό έχουμε πάλι απεριόριστη λειτουργία. Φυσικά εδώ η αντλία λειτουργεί διακεκομμένα με ασταθή βηματισμό, που μας δείχνει ότι ο χειρισμός βασίζετε στο λογισμικό από τον αισθητήρα θερμοκρασίας, κλπ. Ο ατμός έχει σταθερή ροή αλλά νομίζω ότι ισχύς του είναι μέτρια.
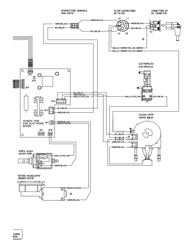
εδώ είναι και το ηλεκτρικό διάγραμμα τις μηχανής.
Και εδώ τα τεχνικά χαρακτηριστικά όπως τα δίνει ο κατασκευαστής
http://www.vendingbar.gr/vb2/wp-content/uploads/2014/11/MANUALE-TALEA-11-Settembre-06_EN_light.pdf
http://www.vendingbar.gr/vb2/wp-content/uploads/2014/11/SUP-031-OR-E74106-Odea-Giro-ING-Rev.01.pdf























