2 Είναι αισθητήρας μαγνητικός. Προσέχει να υπάρχει το καπάκι από το δοχείο του καφέ στην θέση του πριν ξεκινήσουμε την άλεση.
Στο καπάκι υπάρχει το αντίστοιχο μαγνητάκι.
3. Στην υποδοχή αυτή κουμπώνει ένας άξονας. Η άλλη άκρη του είναι μέσα στο δοχείο με τον καφέ. Είναι το εξάρτημα που αυξομειώνουμε την απόσταση στα μαχαίρια , την άλεση.
4 Είναι ο επιλογέας που ο χρήστης μπορεί να στείλει το νερό στο ακροφύσιο του ατμού ή στον καφέ ή στο κάτω μέρος της μηχανής που υπάρχει αναμονή ταπωμένη στην συγκεκριμένη μηχανή για κάποιο έξτρα εξάρτημα. Ο επιλογέας έχει από επάνω του μία πλακέτα με μαγνητικούς αισθητήρες για να ενημερώνει στο λογισμικό την θέση του.
5 Είναι η υποδοχή που παίρνει η μηχανή το νερό από το δοχείο του.
6 Πίσω από το πλαστικό βρίσκετε ένας επαγωγικός αισθητήρας που ελέγχει ότι υπάρχει νερό στο δοχείο του νερού.
7 Είναι ηλεκτροβαλβίδα για την εκτόνωση της πίεσης του νερού , προς το δοχείο που μαζεύει το νερό. (απόβλητα).

6 Ο επαγωγικός αισθητήρας.
8 Είναι το εξάρτημα που μετράει την ποσότητα του νερού. (ογκομετρικά )
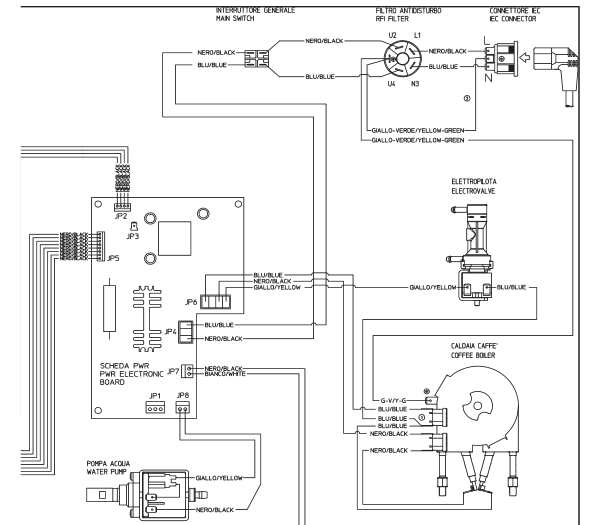
9 Είναι ένα ηλεκτρικό φίλτρο για τα ηλεκρικά ¨σκουπίδια¨ από το δίκτυο προς την μηχανή και αντίστροφα.
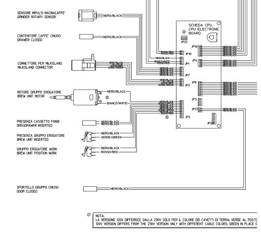
10 Αισθητήρας που βλέπει ότι το δοχείο με τα απόβλητα είναι στην θέση του.
11 Επαγωγικός αισθητήρας που βλέπει αν υπάρχει νερό στο σκαφάκι που αδειάζει ή ηλεκτροβαλβίδα της εκτόνωσης , η νερό που μπορεί για κάποιο λόγο να ¨έφυγε¨ από το grup.
12 Περνάει το νερό για το grup
13 Η έξοδος του νερού από την ηλεκτροβαλβίδα εκτόνωσης.
14 Μαγνητάκια.
15 Αισθητήρας που διαβάζει τα μαγνητάκια κατα την περιστροφή του γραναζιού. Πίσω από το γρανάζι είναι τα κεραμικά μαχαίρια του κόφτη. Η ακρίβεια στην μέτρηση των περιστροφών είναι μισής περιστροφής.
Στην μηχανή αυτή ο χρήστης μπορεί να επιλέξει 3 επίπεδα ποσότητας καφέ. Η ποσότητα του αλεσμένου καφέ βασίζετε σε αυτορύθμιση
που κάνει το λογισμικό της.
Η μηχανή από το ρεύμα που τραβάει το μοτέρ ανάλογα το σπυρί , από την επιλογή ποσότητας του χρήστη , και τον αριθμό των περιστροφών σε σχέση με τον χρόνο ρυθμίζει το χρόνο κοψίματος για την ποσότητα του καφέ. Επίσης το λογισμικό διορθώνει το επόμενο κόψιμο σύμφωνα με της μετρήσεις που βλέπει.
Ο πίνακας μας δείχνει σε σχέση με το ρεύμα την διαχείριση αύξησης ή μείωσης των περιστροφών, για τον επόμενο καφέ.
Ο σκοπός του λογισμικού είναι να υπάρχει η σωστή ποσότητα καφέ ανεξαρτήτως την κατάσταση, την ποιότητα , την φθορά τον μαχαιριών ,κλπ. Έτσι η μηχανή όταν αλλάζουμε καφέ βλέπει την συμπεριφορά του και προσαρμόζει τον χρόνο κοψίματος. Πιθανών σε κάποιες περιπτώσεις , μεγάλης μεταβολής του καφέ, να υπάρξει σφάλμα και να πετάξει τον αλεσμένο καφέ στο δοχείο με τα απόβλητα , κλπ.
16 Το μαγνητάκι που δείχνει την θέση του επιλογέα του νερού που έχει κάνει ο χρήστης.
17 Οι τρεις αισθητήρες που διαβάζουν το μαγνήτη όταν βρίσκετε από επάνω τους , δείχνοντας την θέση του διακόπτη στο λογισμικό.
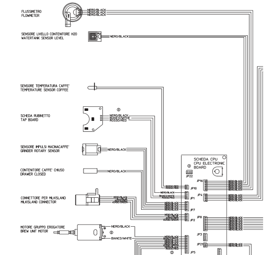
19 Η πλακέτα που τρέχει το πρόγραμμα.Το boiler έχει αισθητήρα θερμοκρασίας ηλεκτρονικό στο κάτω μέρος. Αυτός μετράει την θερμοκρασία του νερού και την στέλνει στο λογισμικό. Αυτό στην περίπτωση που παίρνουμε νερό με ελεύθερη ροή από το ακροφύσιο του ατμού , ή ατμό , κανονίζει και την λειτουργία της αντλίας. Αν το ζεστό νερό έχει πτωτική θερμοκρασία μειώνει την ροή του νερού μειώνοντας τους παλμούς στην αντλία.
Το ίδιο κάνει και στον ατμό. Αντίθετα αυξάνει την ροή στην πλήρη δύναμη της αντλίας όταν το νερό έχει αυξητική τάση θερμοκρασίας.
Ακόμη σταματάει εντελώς την αντλία όταν ξεφύγει το νερό προς τα κάτω. (πολύ ακραία περίπτωση), ή σταματάει την αντίσταση όταν η θερμοκρασία ξεφύγει προς τα πάνω.
Στην περίπτωση του καφέ , επειδή η ροή του νερού είναι μικρή , και ισχύς του boiler σε παραγωγή νερού είναι μεγαλύτερη, δεν παρουσιάζετε πρόβλημα θερμοκρασίας προς τα κάτω.
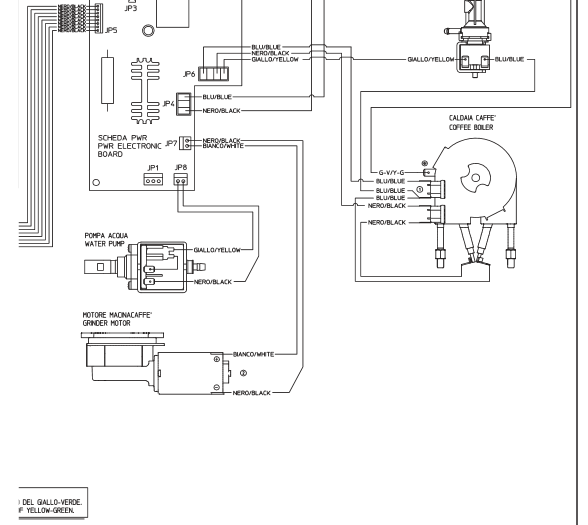
- Ισχύς του boiler είναι η ικανότητα του σε λίτρα ανά ώρα σε χ βαθμούς θερμοκρασίας. Η αντλία της μηχανής μπορεί να μας δώσει σε ένα λεπτό πχ. 200 ml νερό σε ελεύθερη ροή (την ώρα 60χ200ml=12000 ml ) ( οι αριθμοί είναι τυχαίοι ). Το boiler της μηχανής μπορεί να μας δώσει σε θερμοκρασία 90 C 15000ml ανα ώρα. 15000/60= 250ml νερό ανά λεπτό ( οι αριθμοί είναι τυχαίοι ). Έτσι και σε ελεύθερη ροή νερού από την αντλία σε κανονικές συνθήκες λειτουργίας το νερό δεν μπορεί να ρίξει την θερμοκρασία στο boiler.
Διακύμανση της θερμοκρασίας κατά την δημιουργία καφέ , φυσικά και υπάρχει αλλά είναι σε επιτρεπτά όρια και οφείλετε σε διάφορους παράγοντες όπως θερμοχωρητικότητα των υλικών απόκριση του αισθητήρα θερμοκρασίας κλπ. Ο λόγος που ένα boiler αποθηκεύει νερό, είναι για να μπορεί να μας δώσει στιγμιαία μεγαλύτερη ποσότητα νερού σε χ θερμοκρασία από την παραγωγή του . Η συνολική ποσότητα νερού που μπορεί να μας δώσει ανά ώρα, φυσικά δεν αλλάζει.

Εδώ βλέπουμε το test mode της μηχανής που μας βοηθάει στο να λειτουργήσουμε κατά βούληση το grup την αντλία κλπ.
Επίσης μπορούμε να δούμε αν λειτουργούν κάποια εξαρτήματα όπως το ογκομετρικό , ο αισθητήρας στροφών του κόφτη κλπ.



























